
| 设计标准 | GB/T3036;CB/T 4173 |
|---|---|
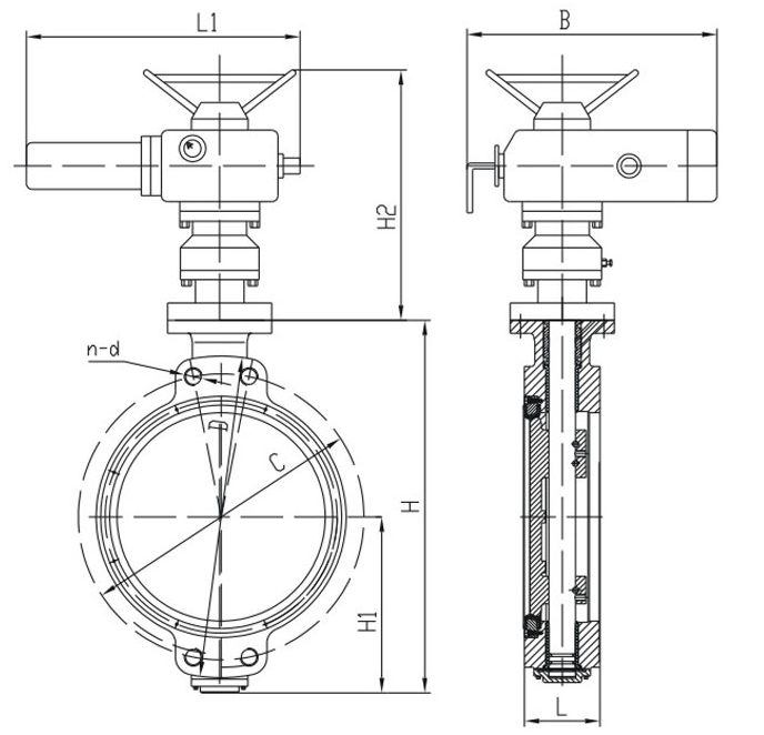
| 法兰连接尺寸 | GB/T9113.1-2000;GB/T9115.1-2000;JB78;CB-67 |
| 结构长度 | GB/T12221-1989 |
| 压力试验 | GB/T13927-2000;JB/T9092-1999 |
|
SP系列精小型电动执行机构技术参数
|
阀 体 参 数
|
||
|
电 源
|
AC110、220、380V/DC24
|
公称通径
|
DN40~1200mm
|
|
输出力矩
|
50N·M~2000N·M
|
公称压力
|
PN0.6、1.0、1.6Mpa
|
|
任选功能
|
开关型、无源触点型、阀位信号反馈型、智能调节型
|
阀轴材质
|
碳素钢、304/316/316L不锈钢
|
|
动作范围
|
0~90°±5°
|
阀体材质
|
球墨铸铁、碳素钢、合金钢、不锈钢
|
|
动作时间
|
9秒/15秒/30秒/60秒
|
阀板材质
|
球墨铸铁、碳素钢、合金钢、不锈钢
|
|
环境温度
|
-30°~80°
|
阀座密封
|
橡胶等
|
|
手动操作
|
附带手柄操作
|
结构形式
|
中线对夹式
|
|
限 位
|
电气、机械二重限位
|
适用温度
|
≤120℃
|
|
防护等级
|
IP-67(防爆外壳:ExdⅡ BT4)
|
适用介质
|
水、气、油品及弱腐蚀性流体
|
|
输入信号
|
输入信号4-20mA,1-5V,0-10V;输出信号:4-20mA,1-5V,0-10V
|
特 点
|
零泄漏、寿命长
|
|
公称通径DN(mm)
|
40~1200
|
||
|
公称压力PN(MPa)
|
0.6
|
1.0
|
1.6
|
|
密封试验(MPa)
|
0.66
|
1.1
|
1.76
|
|
强度试验(MPa)
|
0.9
|
1.5
|
2.4
|
|
适用温度
|
丁腈橡胶:-40℃~90℃,氟橡胶:-20℃~180℃
|
||
|
适用介质
|
水、空气、天然气、油品及弱腐蚀性等流体介质
|
||
|
泄 漏 率
|
符合GB/T13927-92标准
|
||
|
驱动方式
|
蜗轮传动、电动、气动、液动
|
||


声明:
本文中所有文字、数据、图片均只适用于参考。需要查看更多的船用日标电动蝶阀 F7480性能参数、结构尺寸参数、价格等详情,或要求高质量印刷样本,请联系我们。
· 电话:18717746989
· 邮箱:sales@shczvalve.com
承质订货须知:
一、A:产品名称、型号、公称通径B:介质及温度、压力范围C:是否有附件、交货期、特殊要求等以便我们的为您正确选型。
二、若已经由设计单位选定我公司的阀门型号,请您根据阀门参数直接与我们销售中心订购。
三、当您使用的场合非常重要或环境比较复杂时,请您提供设计图纸和详细参数,我们的工程师专家会专心为您审核与分析。我们可以为您提供解决方案,包括设计、定做、成套、运行、服务。我们一直致力于阀门行业领域,为您提供阀门知识、服务、技术顾问。
感谢您访问我们的网站【http://zhzb360.com】,如有任何疑问,您可以致电给我们,我们一定会尽心尽力为您提供服务。本厂提供船用蝶阀、船用闸阀、船用止回阀、船用调节阀、船用减压阀、船用呼吸阀、高速透气阀、船用快关阀、船用自闭阀、船用旋塞阀、船用消防阀、船用通海阀、船用防浪阀、船用滤器、船用空气帽、船用球阀、船用截止阀、船用截止止回阀、船用阀组、船用截止阀箱、船用针型阀、船用电磁阀、船用隔膜阀、船用压力表阀等各类阀门