D373H高温蝶阀
D373H高温蝶阀采用一个“U”型不锈钢密封圈,该精密的弹性密封圈与经过抛光的蝶板三维偏心接触。解决了传统偏心蝶阀在启闭0°~10°瞬间密封面仍处于滑动接触摩擦的弊病,实现蝶板在开启瞬间密封面即分离关闭接触即密封的效果,达到延长使用寿命、密封性能最佳的目的。
| 产品名称: | 高温蝶阀 | 产品型号: | D373H |
| 公称通径: | DN50~DN1000 | 阀座密封: | 合金、司太立、不锈钢 |
| 公称压力: | 1.0Mpa~4.0MPa | 连接方式: | 对夹式、法兰式 |
| 适用温度: | -20ºC~+150ºC~600ºC | 驱动方式: | 手动、蜗轮、电动、气动 |
| 阀体材质: | 铸钢、不锈钢 | 制造标准: | 国标GB、德国DIN、美国API、ANSI |
| 适用介质: | 水、油、蒸汽、气体、粉体、液体 | 生产厂家: | 上海承质阀门制造有限公司 |
| 公称通径 | DN(mm) | 50~1200 | ||||
| 公称压力 | PN(MPa) | 0.6 | 1.0 | 1.6 | 2.5 | 4.0 |
| 试验压力 | 强度试验 | 0.9 | 1.5 | 2.4 | 3.75 | 6.0 |
| 密封试验 | 0.66 | 1.1 | 1.76 | 2.75 | 4.4 | |
| 气密封试验 | 0.6 | 0.6 | 0.6 | 0.6 | 0.6 | |
| 适用介质 | 水、蒸气、油品、酸类腐蚀性等。 | |||||
| 适用温度 | 碳钢 :-29℃~600℃ 不锈钢-40℃~600℃ | |||||
| 零件名称 | 材料 |
| 阀体 | 铸铁、铸钢、不锈钢、铬钼钢、合金钢 |
| 蝶板 | 铸钢、合金钢(镀硬铬)、不锈钢、铬钼钢 |
| 密封圈 | 不锈钢、聚内脂、抗磨材料 |
| 阀杆 | 2Cr13、1Cr13不锈钢、铬钼钢 |
| 填料 | 柔性石墨 |
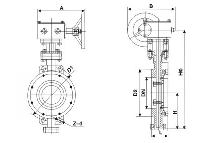
| 公称通径 |
结构长度 标准值 |
外形尺寸(参考值) | 连接尺寸(标准值) |
重量 (kg) |
|||||||
| H | H1 | A | B | PN0.6MPa | PN1.0MPa | ||||||
| 毫米 | 英寸 | L | D1 | Z-d | D1 | Z-d | |||||
| 50 | 2 | 43 | 112 | 350 | 180 | 200 | 110 | 4-14 | 125 | 4-18 | 11 |
| 65 | 2-1/2 | 46 | 115 | 370 | 180 | 200 | 130 | 4-14 | 145 | 4-18 | 12 |
| 80 | 3 | 49 | 120 | 380 | 180 | 200 | 150 | 4-18 | 160 | 8-18 | 14 |
| 100 | 4 | 56 | 138 | 420 | 180 | 200 | 170 | 4-18 | 180 | 8-18 | 16 |
| 125 | 5 | 64 | 164 | 460 | 180 | 200 | 200 | 8-18 | 210 | 8-18 | 26 |
| 150 | 6 | 70 | 175 | 555 | 270 | 280 | 225 | 8-18 | 240 | 8-22 | 28 |
| 200 | 8 | 71 | 208 | 605 | 270 | 280 | 280 | 8-18 | 295 | 8-22 | 44 |
| 250 | 10 | 76 | 243 | 680 | 270 | 280 | 335 | 12-18 | 350 | 12-22 | 68 |
| 300 | 12 | 83 | 283 | 800 | 380 | 420 | 395 | 12-22 | 400 | 12-22 | 85 |
| 350 | 14 | 92 | 310 | 835 | 380 | 420 | 445 | 12-22 | 460 | 16-22 | 121 |
| 400 | 16 | 102 | 340 | 915 | 450 | 470 | 495 | 16-22 | 515 | 16-22 | 140 |
| 450 | 18 | 114 | 380 | 960 | 480 | 490 | 550 | 16-22 | 565 | 20-26 | 190 |
| 500 | 20 | 127 | 410 | 1020 | 480 | 490 | 600 | 20-22 | 620 | 20-26 | 260 |
| 600 | 24 | 154 | 470 | 1225 | 480 | 490 | 705 | 20-26 | 725 | 20-30 | 380 |
| 700 | 28 | 165 | 550 | 1355 | 640 | 660 | 810 | 24-26 | 840 | 24-30 | 450 |
| 800 | 32 | 190 | 640 | 1470 | 640 | 660 | 920 | 24-30 | 950 | 24-33 | 650 |
| 900 | 36 | 203 | 710 | 1545 | 750 | 860 | 1020 | 24-30 | 1050 | 28-33 | 830 |
| 1000 | 40 | 216 | 770 | 1795 | 850 | 900 | 1120 | 28-30 | 1160 | 28-36 | 1050 |
| 1200 | 48 | 254 | 890 | 1965 | 850 | 900 | 1340 | 32-33 | 1380 | 32-39 | 1400 |
| 公称通径 |
结构长度 标准值 |
外形尺寸(参考值) | 连接尺寸(标准值) |
重量 (kg) |
|||||||
| H | H1 | A | B | PN1.6MPa | PN2.5MPa | ||||||
| 毫米 | 英寸 | L | D1 | Z-d | D1 | Z-d | |||||
| 50 | 2 | 43 | 112 | 350 | 180 | 200 | 125 | 4-14 | 125 | 4-18 | 11 |
| 65 | 2-1/2 | 46 | 115 | 370 | 180 | 200 | 145 | 4-14 | 145 | 8-18 | 12 |
| 80 | 3 | 49 | 120 | 380 | 180 | 200 | 160 | 8-18 | 160 | 8-18 | 15 |
| 100 | 4 | 56 | 138 | 420 | 180 | 200 | 180 | 8-18 | 190 | 8-22 | 17 |
| 125 | 5 | 64 | 164 | 460 | 180 | 200 | 210 | 8-18 | 220 | 8-26 | 27 |
| 150 | 6 | 70 | 175 | 555 | 270 | 280 | 240 | 8-22 | 250 | 8-26 | 29 |
| 200 | 8 | 71 | 208 | 605 | 270 | 280 | 295 | 12-22 | 310 | 12-26 | 45 |
| 250 | 10 | 76 | 243 | 680 | 270 | 280 | 355 | 12-26 | 370 | 12-30 | 69 |
| 300 | 12 | 83 | 283 | 825 | 380 | 420 | 410 | 12-26 | 430 | 16-30 | 86 |
| 350 | 14 | 92 | 310 | 900 | 380 | 420 | 470 | 16-26 | 490 | 16-33 | 122 |
| 400 | 16 | 102 | 340 | 980 | 450 | 470 | 525 | 16-30 | 550 | 16-36 | 141 |
| 450 | 18 | 114 | 380 | 1030 | 480 | 490 | 585 | 20-30 | 600 | 20-36 | 191 |
| 500 | 20 | 127 | 410 | 1105 | 480 | 490 | 650 | 20-33 | 660 | 20-36 | 260 |
| 600 | 24 | 154 | 470 | 1310 | 480 | 490 | 770 | 20-36 | 770 | 20-39 | 380 |
| 700 | 28 | 165 | 550 | 1435 | 640 | 660 | 840 | 24-36 | 875 | 24-42 | 450 |
| 800 | 32 | 190 | 640 | 1605 | 640 | 660 | 950 | 24-39 | 990 | 24-48 | 650 |
| 900 | 36 | 203 | 710 | 1745 | 750 | 860 | 1050 | 28-39 | 1090 | 28-48 | 830 |
| 1000 | 40 | 216 | 770 | 1885 | 850 | 900 | 1170 | 28-42 | 1210 | 28-56 | 1050 |
| 1200 | 48 | 254 | 890 | 2105 | 850 | 900 | 1390 | 32-48 | 1420 | 32-56 | 1400 |
| 公称通径 |
结构长度 标准值 |
外形尺寸(参考值) |
连接尺寸 标准值 |
|||||
| H | H1 | A | B | PN40MPa | ||||
| 毫米 | 英寸 | L | D1 | Z-d | ||||
| 50 | 2 | 43 | 112 | 350 | 180 | 200 | 125 | 4-14 |
| 65 | 2-1/2 | 46 | 115 | 370 | 270 | 280 | 145 | 8-18 |
| 80 | 3 | 49 | 120 | 380 | 270 | 280 | 160 | 8-18 |
| 100 | 4 | 56 | 138 | 420 | 270 | 280 | 190 | 8-22 |
| 125 | 5 | 64 | 164 | 460 | 380 | 420 | 220 | 8-26 |
| 150 | 6 | 70 | 175 | 555 | 380 | 420 | 250 | 8-26 |
| 200 | 8 | 71 | 208 | 605 | 450 | 470 | 320 | 12-30 |
| 250 | 10 | 76 | 243 | 680 | 450 | 470 | 385 | 12-33 |
| 300 | 12 | 83 | 283 | 825 | 450 | 470 | 450 | 16-33 |
| 350 | 14 | 92 | 310 | 900 | 480 | 490 | 510 | 16-36 |
| 400 | 16 | 102 | 340 | 980 | 480 | 490 | 585 | 16-39 |
| 450 | 18 | 114 | 380 | 1030 | 640 | 660 | 610 | 20-39 |
| 500 | 20 | 127 | 410 | 1105 | 640 | 660 | 670 | 20-42 |




|
声明:【D373H高温蝶阀】规格型号、结构尺寸由上海承质阀门制造有限公司提供,如何选择适用的D373H高温蝶阀产品,使之在工艺控制中安全可靠、经济适用,可致电我司销售部门及技术部门,我们将在最短的时间内为您解答! |