
| 产品名称: | 先导活塞式减压阀 | 产品型号: | Y43H |
| 公称通径: | DN15~DN500 | 结构形式: | 活塞式、先导式 |
| 工作压力: | 1.0MPa~6.4.0MPa~16.0MPa | 连接方式: | 法兰、螺纹 |
| 适用温度: | -20ºC~+425ºC | 功能作用: | 减压后稳压 |
| 阀体材质: | 铸铁、铸钢、不锈钢 | 制造标准: | 国标GB、德国DIN、美国API、ANSI |
| 适用介质: | 水、油、蒸汽等 | 生产厂家: | 上海承质阀门制造有限公司 |
| 公称压力(MPa) | 1.6 | 2.5 | 4.0 | 6.4 | 10.0 | 16.0 |
| 壳化试验压力(Mpa) | 2.4 | 3.75 | 6.0 | 9.6 | 15.0 | 24 |
| 密封试验压力(Mpa) | 1.6 | 2.5 | 4.0 | 6.4 | 10.0 | 16.0 |
| 最高进口压力(Mpa) | 1.6 | 2.5 | 4.0 | 6.4 | 10.0 | 16.0 |
| 出口压力范围(Mpa) | 1.0-1.0 | 0.1-1.6 | 0.1-2.5 | 0.5-3.5 | 0.5-35 | 0.5-45 |
| 压力特性偏差(Mpa)△P2P | GB12246-1989 | |||||
| 流量特性偏差(Mpa)△P2G | GB12246-1989 | |||||
| 最小压差(Mpa) | 0.15 | 0.15 | 0.2 | 0.4 | 0.8 | 1.0 |
| 渗漏量 | GB12245-1989 | |||||
| 标准 | 其他非标定制 | |||||
| DN | 15 | 20 | 25 | 32 | 40 | 50 | 65 | 80 | 100 | 125 | 150 | 200 | 250 | 300 | 350 | 400 | 500 |
| Cv | 1 | 2.5 | 4 | 6.5 | 9 | 16 | 25 | 36 | 64 | 100 | 140 | 250 | 400 | 570 | 780 | 1020 | 1500 |
| 零件名称 | 零件材料 |
| 阀体阀盖底盖 | WCB |
| 阀座阀盘 | 2Cr13 |
| 缸套 | 2Cr13/铜合金 |
| 活塞 | 合金铸铁 |
| 导阀座导阀杆 | 2Cr13 |
| 主阀弹簧 | 1Cr18Ni9Ti |
| 导阀主弹簧 | 50CrVA |
| 调节弹簧 | 60Si12Mn |
|
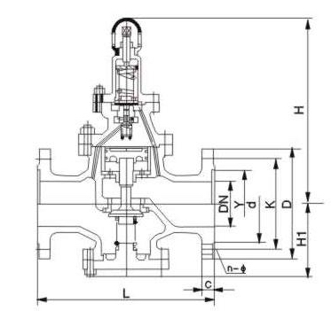
公称通径 DN |
外形尺寸 | |||
| L | H | H1 | ||
| 1.6/2.5MPa | 4.0MPa | |||
| 15 | 160 | 180 | 295 | 90 |
| 20 | 160 | 180 | 330 | 98 |
| 25 | 180 | 200 | 330 | 110 |
| 32 | 200 | 220 | 330 | 110 |
| 40 | 220 | 240 | 345 | 125 |
| 50 | 250 | 270 | 345 | 125 |
| 65 | 280 | 300 | 350 | 130 |
| 80 | 310 | 330 | 385 | 160 |
| 100 | 350 | 380 | 385 | 170 |
| 125 | 400 | 450 | 400 | 200 |
| 150 | 450 | 500 | 415 | 210 |
| 200 | 500 | 550 | 475 | 240 |
| 250 | 650 | 525 | 290 | |
| 300 | 800 | 580 | 335 | |
| 350 | 850 | 620 | 375 | |
| 400 | 900 | 660 | 405 | |
| 450 | 900 | 730 | 455 | |
| 500 | 950 | 750 | 465 | |
|
公称通径 DN |
外形尺寸 | |||
| L | H | H1 | ||
| 6.4MPa | 10.0/16.0MPa | |||
| 15 | 180 | 180 | 305 | 105 |
| 20 | 180 | 200 | 340 | 105 |
| 25 | 200 | 220 | 340 | 120 |
| 32 | 220 | 230 | 340 | 120 |
| 40 | 240 | 240 | 355 | 135 |
| 50 | 270 | 300 | 355 | 135 |
| 65 | 300 | 340 | 360 | 140 |
| 80 | 330 | 360 | 395 | 170 |
| 100 | 380 | 400 | 185 | |
| 125 | 450 | 415 | 215 | |
| 150 | 500 | 430 | 225 | |
| 200 | 550 | 495 | 260 | |
| 250 | 650 | 545 | 310 | |
| 300 | 800 | 600 | 355 | |
| 350 | 850 | 640 | 395 | |
| 400 | 900 | 690 | 435 | |
| 500 | 950 | 780 | 495 | |


|
声明:【Y43H先导活塞式减压阀】规格型号、结构尺寸由上海承质阀门制造有限公司提供,如何选择适用的Y43H先导活塞式减压阀产品,使之在工艺控制中安全可靠、经济适用,可致电我司销售部门及技术部门,我们将在最短的时间内为您解答! |
cy彩运官方网站